QUADRO 25 SFP/550 EB20 SET (AES 30092024) - 9 280 127 - HETTICH
Achetez le Montage par enfichage avec réglage en hauteur sans outil Amortissement intégré Silent System pour fermer le tiroir en douceur et en silence. Sécu...
UGS du produit: FA0391238
Prix valable jusqu’au: 1970-01-01
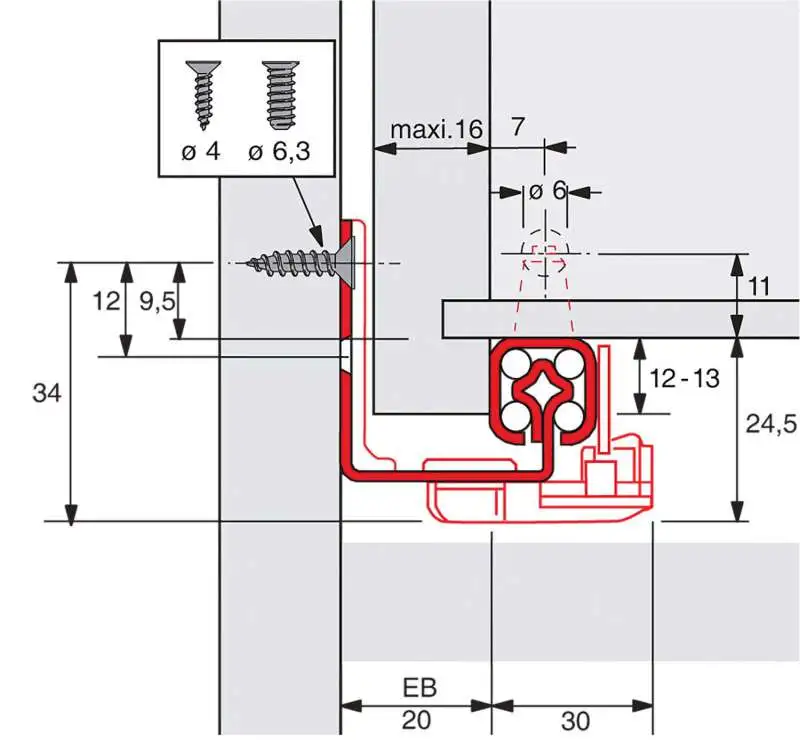
Montage par clipsage et réglage en hauteur sans outil
Mécanisme d’ouverture intégré Push to open pour ouverture de tiroir sans poignée bouton, par une simple pression sur la façade.
Ajouter clips de montage.
Convient aux tiroirs avec une épaisseur du côté de tiroir jusqu’à 16 mm
Concept de plateforme : dimensions identiques du corps de meuble, du tiroir et de la façade pour les coulisses à sortie totale ou partielle Quadro avec montage par clipsage.
Capacité de charge selon EN 15338, niveau 3
RemarqueEn utilisant et un clip pour tablette et un clip d’enfichage, la longueur du tiroir (NL) diminue de 12 mm.
Push oui. Sortie partielle. Charge 25 kg. Sans amortisseur. Matériau : AcierPour panneau dépaisseur (mm) : 16Montage : Sous tiroirDécor : ZinguéPush : OuiSortie : PartielleLongueur (mm) : 550Fixation : ClipsableType : InvisibleCharge (kg) : 25Amortisseur : SansProfondeur intérieure de caisson mini (mm) : 563Sens : Droit + Gauche









