QUADRO 25/550 HD EB20 SI LENTSYSTEM - 9 135 881 - HETTICH
Achetez le Montage par clipsage et réglage en hauteur sans outil Amortissement intégré Silent System pour une fermeture en douceur et en silence Ajouter clip...
UGS du produit: FA0246992
Prix valable jusqu’au: 1970-01-01
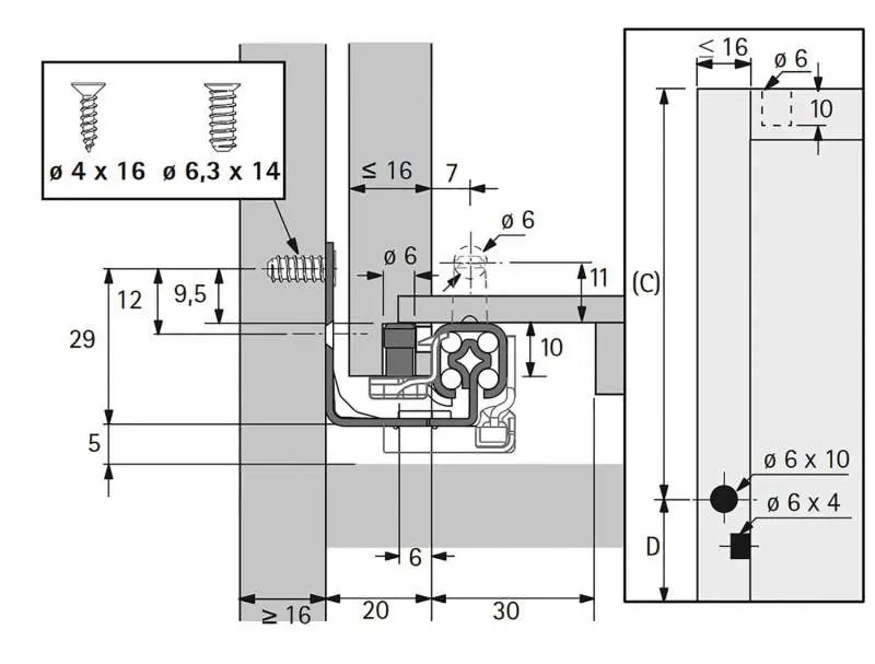
Montage par enfichage avec réglage en hauteur sans outil
Amortissement intégré Silent System pour fermer le tiroir en douceur et en silence.
Sécurité anti-décrochement en option
Convient aux tiroirs avec une épaisseur du côté de tiroir jusqu’à 16 mm
Capacité de charge selon EN 15338, niveau 3
Remarque : En utilisant un clip d’enfichage arrière, la longueur du tiroir (NL) diminue de 10 mm. Push non. Sortie partielle. Charge 25 kg. Avec amortisseur. Pour panneau dépaisseur (mm) : 16Push : NonSortie : PartielleLongueur (mm) : 550Charge (kg) : 25Profondeur intérieure de caisson mini (mm) : 563









